- Select Model
Find Used Ferrari 330 and 365 Parts
Explore our extensive collection of pre-owned Ferrari 330 and 365 parts, encompassing body panels, engines, gearboxes, wheels, and more. We take great care when removing each part and pride ourselves on our meticulous handling.
We thoroughly inspect every part, guarantee its origin, and back it with the Eurospares warranty. With over 35 years of experience in sourcing and supplying prestige car parts, we've earned a reputation for excellence. Rest assured that you're in capable hands when you buy used 330 and 365 parts at Eurospares.
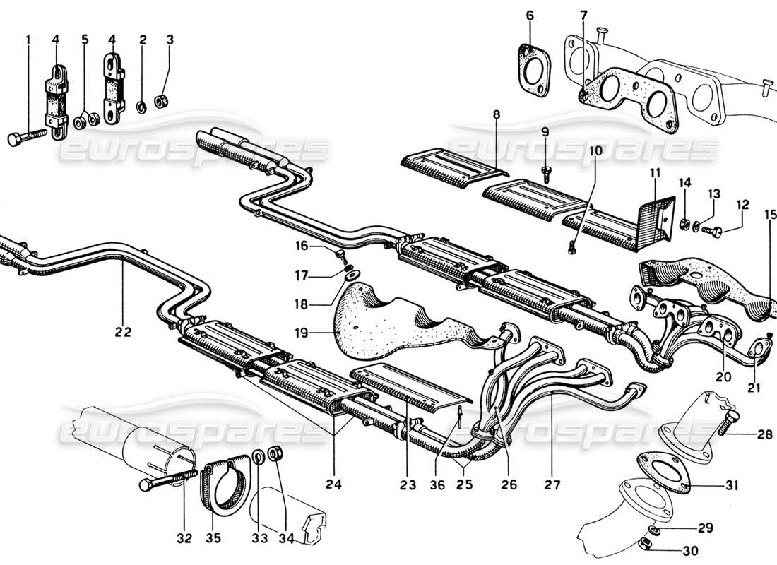
You can select a car above to view the parts available from that car, visit the parts showcase to browse a selection of in-stock parts, or explore the 330 and 365 catalogues to view part diagrams and see all the parts available. In addition you can start a search at the top of this page or contact us if you want us to find the part for you.
.webp)
.webp)

-part-diagram.webp)
-part-diagram.webp)
-part-diagram.webp)
-part-diagram.webp)
-part-diagram.webp)
-part-diagram.webp)
-part-diagram.webp)

