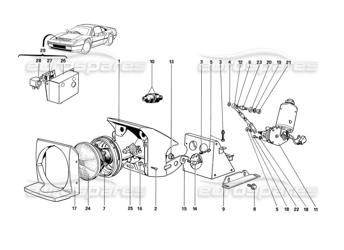
ferrari 328 (1988) lights lifting device and headlights parts diagram

128 - Lights Lifting Device and Headlights

Ferrari 328 (1988) Lights Lifting Device and Headlights Parts Diagram

View the exploded parts diagram to find the part you are looking for
  • You can reposition the diagram by dragging it
  • You can zoom in and out of the diagram by scrolling, pinching, or using theandbuttons
  • You can reset the diagram using thebutton
View all the part pricing and availability information on the parts table to the rightbelow
  • You can click on a hotspot in the parts diagram to locate the part in the table
  • You can use the options filter, in the filter tab, to hide parts not relevant to your search
Switch between other part diagrams using theandbuttons, or use the diagram images below
We recommend viewing this page in landscape orientation for the best experience
Part Key
ST
Part in stock
PS
Available in a part set
SS
Part supersession in stock
PS
Available in a part set to order (subject to availability)
SO
Part available to order (subject to availability)
PK
Available in a part kit
                                                #
                                                Part number
                                                Description
                                                Price
                                                # 001
                                                MPN: 60570600
                                                HOUSING RH HEADLAMP
                                                from £283.50
                                                from £283.50
                                                This part replaces part number 60333705 - and 5 more. Click to view details
                                                # 001
                                                MPN: 60570700
                                                HOUSING LH HEADLAMP
                                                from £602.64
                                                from £602.64
                                                # 002
                                                MPN: 60644600
                                                SCREW
                                                from £1.52
                                                from £1.52
                                                # 003
                                                MPN: 50087709
                                                ROD
                                                from £13.65
                                                from £13.65
                                                This part replaces part number 62783000
                                                # 004
                                                MPN: 11087976
                                                SEEGER RING
                                                Supersession
                                                Supersession
                                                This part replaces part number 11087975
                                                # 005
                                                MPN: 15896211
                                                NUT
                                                Supersession
                                                Supersession
                                                This part replaces part number 15896210 which we have in stock
                                                # 006
                                                MPN: 30152607
                                                WASHER
                                                Supersession
                                                Supersession
                                                # 007
                                                MPN: 60154804
                                                HEAD LAMP BOWL
                                                from £170.36
                                                from £170.36
                                                This part replaces part number 109384 - and 1 more. Click to view details
                                                # 008
                                                MPN: 13842411
                                                SCREW
                                                from £0.56
                                                from £0.56
                                                This part replaces part number 13842471 which we have in stock
                                                # 009
                                                MPN: 60581800
                                                RH BRACKET
                                                Supersession
                                                Supersession
                                                # 009
                                                MPN: 60581900
                                                LH BRACKET
                                                from £6.34
                                                from £6.34
                                                # 010
                                                MPN: 60645100
                                                PROTECTION
                                                from £1.12
                                                from £1.12
                                                # 011
                                                MPN: 172534
                                                HEADLAMP LIFTING MOTOR RH
                                                from £230.59
                                                from £230.59
                                                This part replaces part number 149134 which we have in stock - and 8 more. Click to view details
                                                HEADLIGHT LIFTING MOTOR Genuine Ferrari Part - New (to order)
                                                PLEASE CHECK PHOTOS AGAINST YOUR PART BEFORE ORDERING
                                                HEADLIGHT LIFTING MOTOR Original Equipment - New In stock
                                                PLEASE CHECK PHOTOS AGAINST YOUR PART BEFORE ORDERING
                                                # 011
                                                MPN: 172535
                                                HEADLAMP LIFTING MOTOR LH
                                                from £265.18
                                                from £265.18
                                                This part replaces part number 149133 which we have in stock - and 2 more. Click to view details
                                                HEADLIGHT LIFTING MOTOR Genuine Ferrari Part - New (to order)
                                                PLEASE CHECK PHOTOS AGAINST YOUR PART BEFORE ORDERING.
                                                HEADLIGHT LIFTING MOTOR Original Equipment - New In stock
                                                PLEASE CHECK PHOTOS AGAINST YOUR PART BEFORE ORDERING.
                                                # 012
                                                MPN: 61268600
                                                CONNECTION ROD
                                                from £85.35
                                                from £85.35
                                                This part replaces part number 50038009 - and 8 more. Click to view details
                                                # 013
                                                MPN: 50070507
                                                BUSHING
                                                from £5.55
                                                from £5.55
                                                # 014
                                                MPN: 50070606
                                                PIN
                                                from £7.73
                                                from £7.73
                                                # 015
                                                MPN: 60648000
                                                RH SUPPORT
                                                from £43.27
                                                from £43.27
                                                This part replaces part number 60648200 - and 5 more. Click to view details
                                                # 016
                                                MPN: 40136707
                                                CLIP
                                                from £0.84
                                                from £0.84
                                                # 017
                                                MPN: 60570800
                                                COVERING RH
                                                from £1,219.08
                                                from £1,219.08
                                                # 017
                                                MPN: 60570900/A
                                                COVERING LH
                                                from £1,009.44
                                                from £1,009.44
                                                # 018
                                                MPN: 12605371
                                                WASHER
                                                from £0.48
                                                from £0.48
                                                # 019
                                                MPN: 10615770
                                                WASHER
                                                Supersession
                                                Supersession
                                                # 020
                                                MPN: 12638601
                                                WASHER
                                                from £0.54
                                                from £0.54
                                                This part replaces part number 20232104
                                                # 021
                                                MPN: 12164721
                                                NUT
                                                from £0.61
                                                from £0.61
                                                # 022
                                                MPN: 10902121
                                                SCREW
                                                Supersession
                                                Supersession
                                                This part replaces part number 20146601
                                                # 023
                                                MPN: 61325900
                                                PIN
                                                from £21.93
                                                from £21.93
                                                # 024
                                                MPN: 60865000
                                                HEADLIGHT( LH D.)
                                                Not for F-US-J-RHD
                                                from £92.83
                                                from £92.83
                                                This part replaces part number 60154903
                                                # 024
                                                MPN: 60865100
                                                HEADLAMP WITH BULB-RHD-J
                                                from £61.14
                                                from £61.14
                                                This part replaces part number 60196300 - and 3 more. Click to view details
                                                # 024
                                                MPN: 60865200
                                                HEADLAMP WITH BULB-F ONLY
                                                This part replaces part number 60196408
                                                # 024
                                                MPN: 61610400
                                                SEALED BEAM - US ONLY
                                                from £122.82
                                                from £122.82
                                                This part replaces part number 60796700 - and 1 more. Click to view details
                                                # 025
                                                MPN: 60121704
                                                BULB FOR HEADLAMP
                                                Not for F-US
                                                Supersession
                                                Supersession
                                                # 025
                                                MPN: 60122603
                                                BULB FOR HEADLAMP - F ONLY
                                                Supersession
                                                Supersession
                                                # 026
                                                MPN: 62342800
                                                DIM -DIP BOX
                                                GB only from car 68197
                                                from £19.15
                                                from £19.15
                                                # 027
                                                MPN: 62342000
                                                RESISTOR
                                                GB only from car 68197
                                                from £5.92
                                                from £5.92
                                                # 028
                                                MPN: 62342100
                                                RELAY
                                                GB only from car 68197
                                                from £11.55
                                                from £11.55
                                                # 029
                                                MPN: 62346400
                                                DIM - DIP BOXE COMPLETE
                                                GB only from car 68197
                                                from £36.00
                                                from £36.00