ferrari 365 gtc4 (mechanical) water circuit - revision parts diagram

017A - Water circuit - Revision

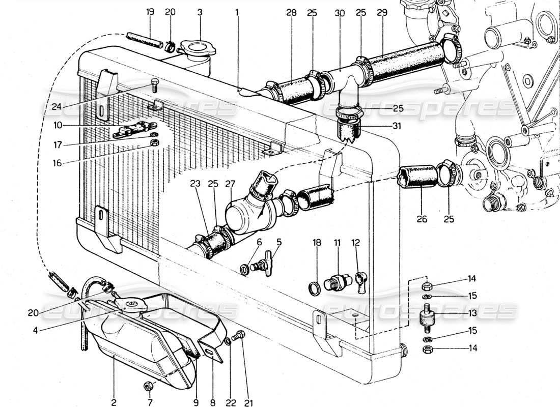
Ferrari 365 GTC4 (Mechanical) Water circuit - Revision Parts Diagram

View the exploded parts diagram to find the part you are looking for
  • You can reposition the diagram by dragging it
  • You can zoom in and out of the diagram by scrolling, pinching, or using theandbuttons
  • You can reset the diagram using thebutton
View all the part pricing and availability information on the parts table to the rightbelow
  • You can click on a hotspot in the parts diagram to locate the part in the table
  • You can use the options filter, in the filter tab, to hide parts not relevant to your search
Switch between other part diagrams using theandbuttons, or use the diagram images below
We recommend viewing this page in landscape orientation for the best experience
Part Key
ST
Part in stock
PS
Available in a part set
SS
Part supersession in stock
PS
Available in a part set to order (subject to availability)
SO
Part available to order (subject to availability)
PK
Available in a part kit
                                                      #
                                                      Part number
                                                      Description
                                                      Price
                                                      # 000
                                                      MPN: 26835
                                                      RING
                                                      Valid for October 1972 revision - * Vetture con impianto depurazione scarichi
                                                      Supersession
                                                      Supersession
                                                      # 001
                                                      MPN: 800265
                                                      RADIATORE ACQUA
                                                      from £2,010.89
                                                      from £2,010.89
                                                      # 002
                                                      MPN: 800359 / 252733
                                                      NOURICE PER RADIATORE
                                                      Valid for October 1972 revision - * Vetture con impianto depurazione scarichi
                                                      # 003
                                                      MPN: 101484
                                                      RADIATOR CAP
                                                      original FIM
                                                      from £23.97
                                                      from £23.97
                                                      # 004
                                                      MPN: 101499/A
                                                      RADIATOR PRESSURE CAP
                                                      Round Radiator cap (0.7 BAR)
                                                      from £10.44
                                                      from £10.44
                                                      This part replaces part number 101499 - and 1 more. Click to view details
                                                      # 005
                                                      MPN: 103948
                                                      RUBINETTO SCARICO ACQUA
                                                      from £97.83
                                                      from £97.83
                                                      This part replaces part number 10300640 - and 1 more. Click to view details
                                                      # 006
                                                      MPN: 101496
                                                      GASKET
                                                      from £3.50
                                                      from £3.50
                                                      # 007
                                                      MPN: 16104411
                                                      NUT
                                                      from £0.53
                                                      from £0.53
                                                      # 008
                                                      MPN: 252733/C
                                                      BRACKET
                                                      from £52.25
                                                      from £52.25
                                                      # 009
                                                      MPN: 252.733/D
                                                      SOFT RUBBER
                                                      # 010
                                                      MPN: 101497
                                                      EXHAUST STRAP
                                                      not as spare part - use part number: 101497
                                                      from £7.22
                                                      from £7.22
                                                      This part replaces part number 20180 - and 1 more. Click to view details
                                                      # 011
                                                      MPN: 168008
                                                      TERMOCONTATTO
                                                      from £49.95
                                                      from £49.95
                                                      This part replaces part number 101507 - and 1 more. Click to view details
                                                      # 012
                                                      MPN: 10405385
                                                      COPRIMORSETTO PER RUBINETTO
                                                      from £2.74
                                                      from £2.74
                                                      This part replaces part number 100285 - and 2 more. Click to view details
                                                      # 014
                                                      MPN: 104030
                                                      SELF LOCKING NUT
                                                      from £0.53
                                                      from £0.53
                                                      This part replaces part number 16104125
                                                      # 015
                                                      MPN: 10519624
                                                      WASHER
                                                      from £0.53
                                                      from £0.53
                                                      This part replaces part number 10519601 - and 3 more. Click to view details
                                                      # 016
                                                      MPN: 134041
                                                      NUT
                                                      from £0.59
                                                      from £0.59
                                                      This part replaces part number 15896221
                                                      # 017
                                                      MPN: 6 R 4
                                                      WASHER
                                                      Supersession
                                                      Supersession
                                                      # 018
                                                      MPN: 101508
                                                      GASKET
                                                      from £0.70
                                                      from £0.70
                                                      This part replaces part number 94706
                                                      # 019
                                                      MPN: 95604
                                                      TUBO DAL RADIATORE ALLA NOURICE
                                                      Supersession
                                                      Supersession
                                                      # 020
                                                      MPN: 13000190
                                                      SCREW COLLAR
                                                      from £0.53
                                                      from £0.53
                                                      This part replaces part number 12178990 - and 1 more. Click to view details
                                                      # 021
                                                      MPN: 16043821
                                                      BOLT
                                                      from £0.71
                                                      from £0.71
                                                      # 022
                                                      MPN: 127496
                                                      WASHER
                                                      from £0.54
                                                      from £0.54
                                                      This part replaces part number 10516671 - and 3 more. Click to view details
                                                      # 023
                                                      MPN: 26807
                                                      TUBO GOMMA
                                                      Supersession
                                                      Supersession
                                                      # 024
                                                      MPN: M6x16-UNI 5739
                                                      BOLT
                                                      Valid for October 1972 revision - * Vetture con impianto depurazione scarichi
                                                      # 025
                                                      MPN: 100441
                                                      JUBILEE CLIP
                                                      from £4.96
                                                      from £4.96
                                                      # 026
                                                      MPN: 26787
                                                      HOSE FROM PUMP TO RADIATOR
                                                      Supersession
                                                      Supersession
                                                      # 027
                                                      MPN: 106393/A
                                                      THERMOSTAT
                                                      from £220.73
                                                      from £220.73
                                                      This part replaces part number 106393 - and 1 more. Click to view details
                                                      # 028
                                                      MPN: 26806
                                                      SLEEVE
                                                      Supersession
                                                      Supersession
                                                      # 029
                                                      MPN: 26804
                                                      PIPE / TUBE / HOSE
                                                      Supersession
                                                      Supersession
                                                      # 030
                                                      MPN: 26808
                                                      UNION
                                                      from £14.33
                                                      from £14.33
                                                      # 031
                                                      MPN: 26805
                                                      PIPE / TUBE / HOSE
                                                      Supersession
                                                      Supersession