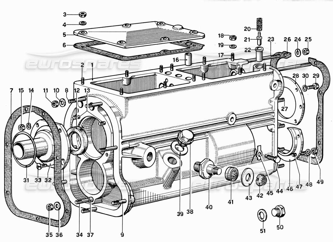
ferrari 365 gt 2+2 (mechanical) gear box parts diagram

019 - Gear Box

Ferrari 365 GT 2+2 (Mechanical) Gear Box Parts Diagram

View the exploded parts diagram to find the part you are looking for
  • You can reposition the diagram by dragging it
  • You can zoom in and out of the diagram by scrolling, pinching, or using theandbuttons
  • You can reset the diagram using thebutton
View all the part pricing and availability information on the parts table to the rightbelow
  • You can click on a hotspot in the parts diagram to locate the part in the table
  • You can use the options filter, in the filter tab, to hide parts not relevant to your search
Switch between other part diagrams using theandbuttons, or use the diagram images below
We recommend viewing this page in landscape orientation for the best experience
Part Key
ST
Part in stock
PS
Available in a part set
SS
Part supersession in stock
PS
Available in a part set to order (subject to availability)
SO
Part available to order (subject to availability)
PK
Available in a part kit
                                                                                                        #
                                                                                                        Part number
                                                                                                        Description
                                                                                                        Price
                                                                                                        # 001
                                                                                                        MPN: 1212
                                                                                                        COMPLESSIVO COMBIO
                                                                                                        # 001
                                                                                                        MPN: 521219
                                                                                                        SCATOLA CAMBIO
                                                                                                        # 002
                                                                                                        MPN: 104185
                                                                                                        STUD
                                                                                                        from £28.19
                                                                                                        from £28.19
                                                                                                        This part replaces part number P1
                                                                                                        # 003
                                                                                                        MPN: 6x1-uryf-55a8
                                                                                                        NUT
                                                                                                        # 004
                                                                                                        MPN: REO6
                                                                                                        STUD
                                                                                                        Supersession
                                                                                                        Supersession
                                                                                                        # 005
                                                                                                        MPN: 520854
                                                                                                        COVER
                                                                                                        from £31.64
                                                                                                        from £31.64
                                                                                                        # 006
                                                                                                        MPN: 53047
                                                                                                        GASKET
                                                                                                        from £17.81
                                                                                                        from £17.81
                                                                                                        # 007
                                                                                                        MPN: 520622
                                                                                                        GASKET
                                                                                                        from £3.57
                                                                                                        from £3.57
                                                                                                        # 008
                                                                                                        MPN: P 2
                                                                                                        STUD
                                                                                                        Supersession
                                                                                                        Supersession
                                                                                                        # 009
                                                                                                        MPN: P 2
                                                                                                        SHORT THREADED STUD
                                                                                                        Supersession
                                                                                                        Supersession
                                                                                                        # 010
                                                                                                        MPN: REO - 8
                                                                                                        WASHER
                                                                                                        Supersession
                                                                                                        Supersession
                                                                                                        # 011
                                                                                                        MPN: 8x11-UNI 5588
                                                                                                        NUT
                                                                                                        # 012
                                                                                                        MPN: 95850222
                                                                                                        SEALING RING
                                                                                                        from £8.31
                                                                                                        from £8.31
                                                                                                        # 013
                                                                                                        MPN: P 2
                                                                                                        THREADED STUD
                                                                                                        Supersession
                                                                                                        Supersession
                                                                                                        # 015
                                                                                                        MPN: 103181
                                                                                                        NUT
                                                                                                        from £2.12
                                                                                                        from £2.12
                                                                                                        This part replaces part number 95209 - and 1 more. Click to view details
                                                                                                        # 016
                                                                                                        MPN: 521255
                                                                                                        BUSH
                                                                                                        from £9.43
                                                                                                        from £9.43
                                                                                                        # 017
                                                                                                        MPN: 104185
                                                                                                        SHORT THREADED STUD
                                                                                                        from £28.19
                                                                                                        from £28.19
                                                                                                        This part replaces part number P1
                                                                                                        # 018
                                                                                                        MPN: 134041
                                                                                                        NUT
                                                                                                        from £0.58
                                                                                                        from £0.58
                                                                                                        This part replaces part number 15896221
                                                                                                        # 019
                                                                                                        MPN: REO6
                                                                                                        STUD
                                                                                                        Supersession
                                                                                                        Supersession
                                                                                                        # 020
                                                                                                        MPN: 53684
                                                                                                        SPRING
                                                                                                        from £36.54
                                                                                                        from £36.54
                                                                                                        # 021
                                                                                                        MPN: 520846
                                                                                                        PIVOT
                                                                                                        from £12.58
                                                                                                        from £12.58
                                                                                                        # 022
                                                                                                        MPN: 520847
                                                                                                        BUSH
                                                                                                        from £18.46
                                                                                                        from £18.46
                                                                                                        # 023
                                                                                                        MPN: 95012
                                                                                                        LONG THREADED STUD
                                                                                                        from £0.57
                                                                                                        from £0.57
                                                                                                        # 024
                                                                                                        MPN: REO - 8
                                                                                                        WASHER
                                                                                                        Supersession
                                                                                                        Supersession
                                                                                                        # 025
                                                                                                        MPN: 8x11-UNI 5588
                                                                                                        NUT
                                                                                                        # 026
                                                                                                        MPN: 520808
                                                                                                        GASKET
                                                                                                        from £2.97
                                                                                                        from £2.97
                                                                                                        # 027
                                                                                                        MPN: P 2
                                                                                                        SHORT THREADED STUD
                                                                                                        Supersession
                                                                                                        Supersession
                                                                                                        # 028
                                                                                                        MPN: 521220
                                                                                                        COPERCH'O PER CUSCINETTO
                                                                                                        from £24.88
                                                                                                        from £24.88
                                                                                                        # 029
                                                                                                        -
                                                                                                        BOLT
                                                                                                        # 030
                                                                                                        MPN: REG - 6
                                                                                                        WASHER
                                                                                                        # 031
                                                                                                        MPN: 167
                                                                                                        SEALING RING
                                                                                                        from £1.06
                                                                                                        from £1.06
                                                                                                        # 032
                                                                                                        MPN: 521755
                                                                                                        FLANGIA CON MANICOTTO
                                                                                                        from £137.64
                                                                                                        from £137.64
                                                                                                        # 033
                                                                                                        MPN: 1 VR 8x15
                                                                                                        SCREW
                                                                                                        # 034
                                                                                                        MPN: P 2
                                                                                                        THREADED STUD
                                                                                                        Supersession
                                                                                                        Supersession
                                                                                                        # 035
                                                                                                        MPN: 103181
                                                                                                        NUT
                                                                                                        from £2.12
                                                                                                        from £2.12
                                                                                                        This part replaces part number 95209 - and 1 more. Click to view details
                                                                                                        # 036
                                                                                                        MPN: REO - 8
                                                                                                        WASHER
                                                                                                        Supersession
                                                                                                        Supersession
                                                                                                        # 037
                                                                                                        MPN: SGC1
                                                                                                        CENTERING DOWEL
                                                                                                        # 040
                                                                                                        MPN: 500495
                                                                                                        PIVOT
                                                                                                        from £121.53
                                                                                                        from £121.53
                                                                                                        # 041
                                                                                                        MPN: RNA 4902-PP
                                                                                                        CAGE WITH ROLLERS
                                                                                                        # 043
                                                                                                        MPN: 500496
                                                                                                        WASHER
                                                                                                        Supersession
                                                                                                        Supersession
                                                                                                        # 044
                                                                                                        MPN: 521325
                                                                                                        BOLT
                                                                                                        from £3.30
                                                                                                        from £3.30
                                                                                                        # 045
                                                                                                        MPN: 100434
                                                                                                        PLATE
                                                                                                        from £7.94
                                                                                                        from £7.94
                                                                                                        This part replaces part number 92361 - and 1 more. Click to view details
                                                                                                        # 046
                                                                                                        MPN: 521221
                                                                                                        COVER
                                                                                                        from £45.13
                                                                                                        from £45.13
                                                                                                        # 047
                                                                                                        MPN: 95920110
                                                                                                        THREADED STUD
                                                                                                        from £1.97
                                                                                                        from £1.97
                                                                                                        # 048
                                                                                                        MPN: REG - 6
                                                                                                        WASHER
                                                                                                        # 049
                                                                                                        MPN: 6 x 1 - UNI 5588
                                                                                                        NUT
                                                                                                        # 050
                                                                                                        -
                                                                                                        TAPPO SCARICO OLIO
                                                                                                        # 051
                                                                                                        -
                                                                                                        GASKET