Ferrari 348 Parts
We can supply any part for your 348. Select your model to view the part catalogs and part diagrams to find engine parts, interior parts and much more!
We can supply any part for your 348. Select your model to view the part catalogs and part diagrams to find engine parts, interior parts and much more!
-tb-_-ts-part-diagram.webp)
-part-diagram.webp)
-part-diagram.webp)
There are no models matching the filter expression you typed. Please try again.
The Ferrari 348 (Type F119) was the final V8 model developed under the direction of Enzo Ferrari before his death and was the successor to the Ferrari 328. Devilishly handsome and universally loved, this model was available in multiple variants, including the 348 TB (Coupe) and the 348 TS (Targa).
The 348 featured a 3.4 liter version of the quad-cam, four-valve-per-cylinder V8 engine, and much like the Ferrari Mondial, with which the 348 shared many components, it was mounted longitudinally and coupled with a transverse manual transmission.
Read More >>
All 348s also featured OBD-I dual computer engine management, which allowed for anti-lock brakes, and self-diagnosing air conditioning and heating systems.
The body shape of this model in comparison to others was also wider due to the oil and coolant radiators being relocated from the nose to the sides, meaning it cooled much more efficiently in the cabin.
Most notably, the 348 Challenge was the very special model that coined the Ferrari Challenge racing series. This series has since evolved into a global racing platform, encompassing multiple regional championships and continuing to thrive today.
The Challenge was derived directly from the 348 TB, with minor differences including a power increase of + 20 hp, a new exhaust system, slicker tires, modified brakes, and specific dynamic air intakes.
The main differences were the safety features which were deemed paramount due to the cars' racing nature. These included a roll bar, six-point harness, fire extinguisher and electric circuit breaker. The 348 remains a defining chapter in Ferrari’s V8 lineage - raw, analogue, and built with racing in its DNA.
Owning a Ferrari 348 is about more than just driving - it’s about preserving one of the final expressions of Enzo Ferrari’s vision. The 348 is raw, mechanical, and deeply rewarding. Every ignition and gear shift is a reminder of Ferrari’s no-compromise engineering.
At Eurospares, we help keep that experience alive with the right parts, expert support, and reliable worldwide delivery. No matter the size of the part, we can get what you need, delivered fast.
Most in-stock orders ship the same day and reach the USA, UK, France, Germany, and Italy the next day. Australia, Dubai, and Japan usually receive parts in two days.
Since 1985, we’ve been trusted by owners, workshops, and restoration professionals for our extensive inventory and deep technical knowledge. We're not just parts suppliers, we’re Ferrari owners and hands-on enthusiasts who work closely with Ferrari specialists, restoration experts and the Ferrari community.
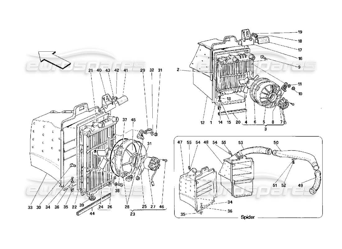
We dismantle cars in-house, assist with part identification, and share your passion for keeping these machines on the road. That’s why we aim to supply every part for every model. From timing belts and oil filters to hood struts and cam cover gaskets, we have the largest Ferrari 348 parts catalog online complete with all the part diagrams.
Some spare parts are no longer made or hard to source, but that’s where we come in. Our dedicated team carefully parts out end-of-life Ferraris to recover rare, discontinued, and original parts. This gives our customers access to a valuable supply of authentic components that help keep restorations accurate and cars running true to spec.
Every used part is tested and inspected before it goes on our shelves. We know what matters to fellow enthusiasts: quality, fit, and reliability. That’s why each part we offer, new or used, is selected with care and backed with the Eurospares warranty.
When you choose Eurospares, you’re working with a team that understands Ferraris. Contact us with any questions - our team is always happy to assist with part selection, technical queries, or sourcing advice. If your 348 is part of your story, we’re proud to be part of it too.