Ferrari 365 Parts
We have all the Ferrari 365 parts available. Simply select your model below and access the online part diagrams to find the exact spare parts and accessories you're looking for.
We have all the Ferrari 365 parts available. Simply select your model below and access the online part diagrams to find the exact spare parts and accessories you're looking for.
-part-diagram.webp)
-part-diagram.webp)
-part-diagram.webp)


-part-diagram.webp)
-part-diagram.webp)
-part-diagram.webp)
-part-diagram.webp)
-part-diagram.webp)
There are no models matching the filter expression you typed. Please try again.
The Ferrari 365 was a sporty rear-wheel drive Grand Tourer with a V12 4.4 liter engine and it replaced the 500 Superfast. The 365 was manufactured from 1966 to 1972 and comprised 10 model types: 365 California, 365 GT2+2, 365 GTB4, 365 GTC, 365 GTS, 365 GTS4, 365 GT4BB, 365 GTC4, 365 GT4 2+2 and the racing model GTB4 Competizione.
Read More >>
The 365 California was the first model to be released and was ultra-exclusive - just 14 were made. The 365 GT2+2 proved to be the most popular and was the first Ferrari to come with power steering and air-con as standard.
In 1968 the GTB4 and GTC were added to the line-up. The GTB4 was a high-performance model with Pininfarina styling and following Ferrari’s success in the 1967 24-hour sports car endurance race “24 Hours of Daytona” - the media and fans began calling this model by its unofficial name; "Daytona", thus you will see many models being marketed as Ferrari 365 GTB4 Daytona.
The 365 GTS and GTS4 were produced in 1969 and the GT4 BB and GTC4 came out in 1971 - this same year also saw the birth of the GTB4 Competizione, a high-spec converted GTB4 destined for the racetrack. The GTB4 Competizione was made with aluminum body panels and had a stiffer suspension and wider wheels. Its V12 engine had an output of 402 bhp and a top speed of 192 mph.
In 1972 the final 365 variant was built; the Ferrari 365 GT4 2+2. This model was also styled by Pininfarina and less than 100 were supplied to the UK market. Rumors were this design was not as well welcomed when compared to previous versions.
There were noticeable differences such as the two groups of three rear lights and a more spacious rear interior. Ferrari appeared to like the overall design styling as there was continuity with the Ferrari 400 when this was released in 1976.
Owning a Ferrari 365 is a true passion project, and keeping your asset in immaculate condition requires access to the right parts. At Eurospares we've built a global reputation for supplying classic Ferrari parts to passionate collectors across the USA and beyond.
For Ferrari 365 maintenance we pride ourselves on maintaining high levels of stock. Our extensive parts selection includes oil, air, and fuel filters, spark plugs, gasket sets, and various engine internals like inlet valves and distributor caps. If you are undertaking routine servicing or a complete engine overhaul, you'll find all the necessary spares, from full service kits to individual engine bearings.
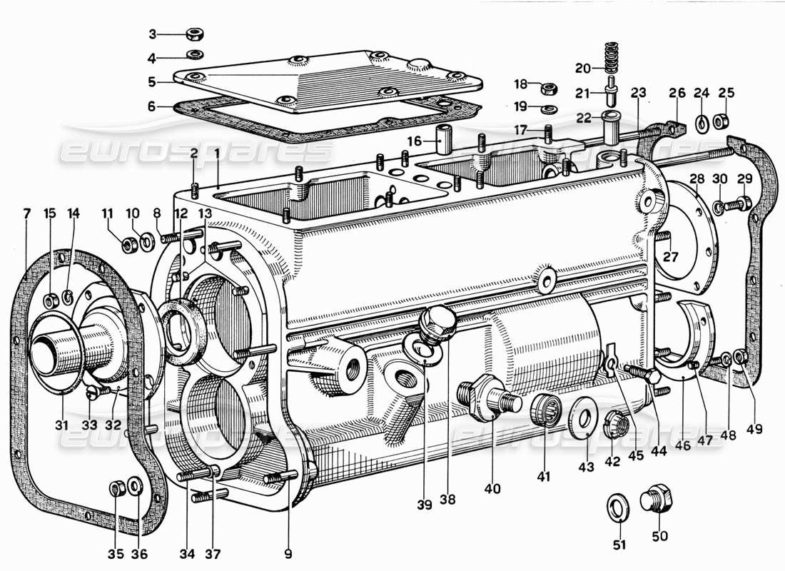
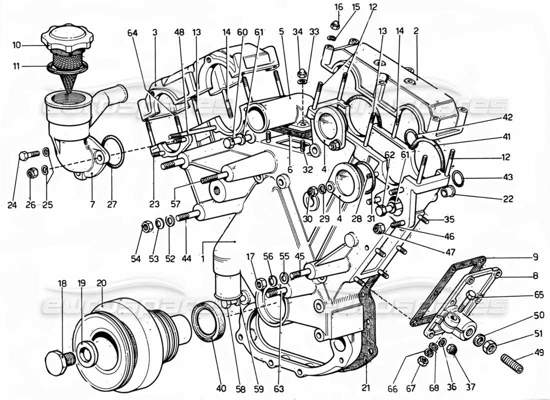
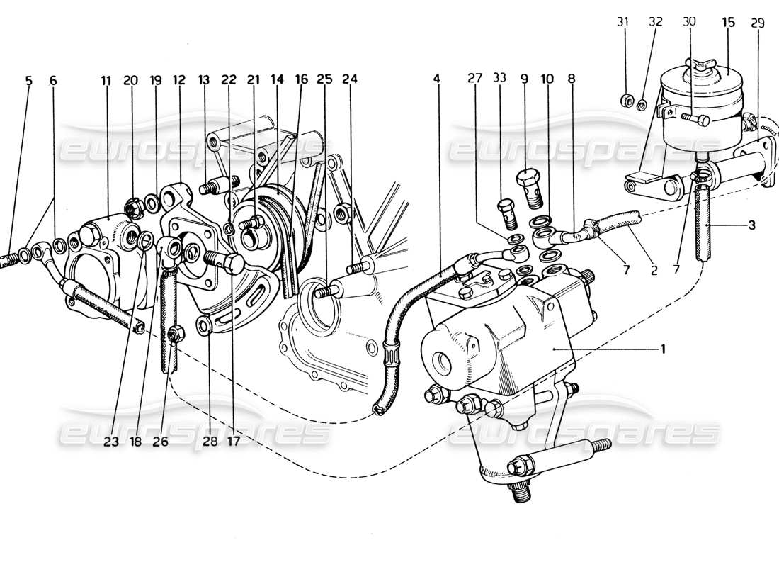
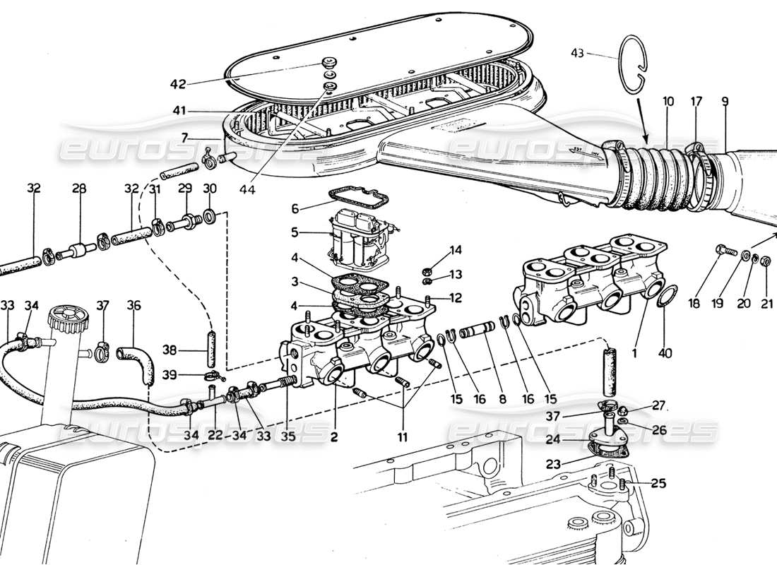
Our parts inventory also covers dashboards, head gasket sets, engine mounts, front grills, and exhausts. Choose your model above to access the online part diagrams and view the complete Ferrari 365 parts list. Alternately browse a hand-picked selection of parts in our parts showcase.
We understand the specific needs of exclusive Ferraris like the 365. Our in-house breaker technicians have meticulously dismantled several legendary Ferraris over the years, allowing us to offer a unique selection of genuine, functional used parts at attractive prices. Breathe new life into your vintage Ferrari with rare high-quality replacements at a fraction of the cost.
We ship all parts worldwide no matter how large or small. Next-day delivery is available on in-stock parts to the USA, UK, France, Germany and Italy. And we can deliver in as little as 2 days to Japan, Dubai, Australia, and all other countries worldwide.
At Eurospares, our passion fuels our expertise, and our team is always ready to assist with your needs. As specialists in Ferrari parts, we're dedicated to ensuring your cherished 365 remains in perfect condition.
With a history dating back to 1985, we're rich in knowledge and experience in supplying Ferrari parts. Should you require assistance in locating a part or simply seek some expert advice, please visit our contact page - we're here to support you however we can.