View All 
 
                                                                022 - Brake System
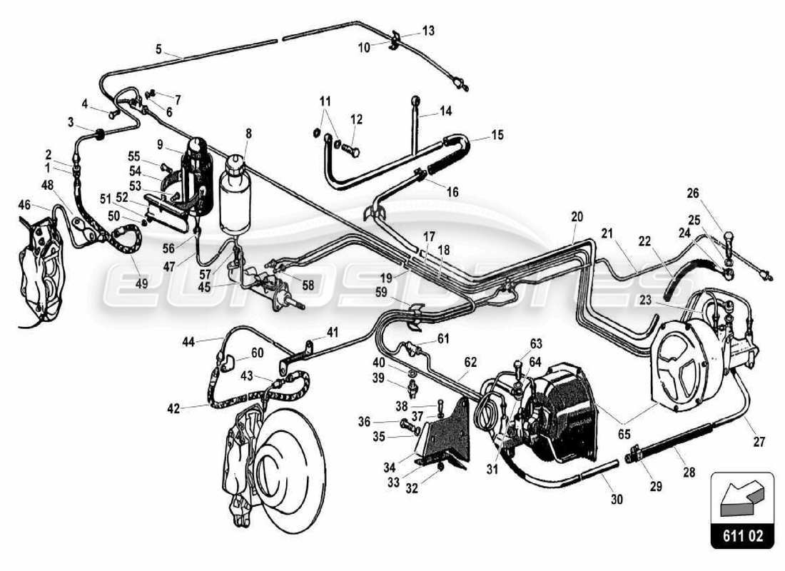
Lamborghini 350 GT Brake System Parts Diagram
View the exploded parts diagram to find the part you are looking for
- You can reposition the diagram by dragging it
- You can zoom in and out of the diagram by scrolling, pinching, or using theandbuttons
- You can reset the diagram using thebutton
View all the part pricing and availability information on the parts table to the rightbelow
- You can click on a hotspot  in the parts diagram to locate the part in the table 
- You can use the options filter, in the filter tab, to hide parts not relevant to your search
Switch between other part diagrams using theandbuttons, or use the diagram images below
We recommend viewing this page in landscape orientation for the best experience
Part Key
ST
Part in stock
PS
Available in a part set
SS
Part supersession in stock
PS
Available in a part set to order (subject to availability)
SO
Part available to order (subject to availability)
PK
Available in a part kit
# 001
MPN: 008200903
3/8'X24 'UNF' SPECIAL NUT
from  £3.75 
from  £3.75 
# 002
MPN: 008411004
CORRUGATED WASHER
from  £1.79 
from  £1.79 
# 003
MPN: 008610802
GROMMET 8X18X2 MM
from  £5.86 
from  £5.86 
# 004
MPN: 008100623
SCREW M6X30 UNI 5737/8G/Z
Supersession 
Supersession 
# 005
MPN: 003101580
# 006
MPN: 008400606
WASHER 12.5X6.4X1.6 UNI 6592/5 S/Z
Supersession 
Supersession 
# 007
MPN: 008200606
NUT
Supersession 
Supersession 
# 008
MPN: 003101509
BRAKE OIL TANK
# 009
MPN: DN-01520
DN-01520
# 010
MPN: 410721493
BRAKE PIPE PROTECTION RUBBER W
from  £34.07 
from  £34.07 
# 011
MPN: 008401610
ASHER
from  £7.02 
from  £7.02 
# 012
MPN: 003101941
VACUUM UNION PIPE
from  £2.93 
from  £2.93 
# 013
MPN: 003101700
# 014
MPN: 003101940
# 015
MPN: 003101945
# 016
MPN: 008830205
CLAMP
from  £4.32 
from  £4.32 
# 017
MPN: 003101574
# 018
MPN: 003101577
# 019
MPN: 003201576
# 020
MPN: 003101944
# 021
MPN: 003201433
# 022
MPN: 003101601
# 023
MPN: 003101582
# 024
MPN: 003101518
CHECK VALVE
from  £110.72 
from  £110.72 
# 025
MPN: 003101513
COPPER WASHER 16.2X24X1
from  £0.97 
from  £0.97 
# 026
MPN: 003101486
BOLT
from  £20.49 
from  £20.49 
# 027
MPN: 003101582
# 028
MPN: 003101587
# 029
MPN: 008830205
CLAMP
from  £4.32 
from  £4.32 
# 030
MPN: 003101582
# 031
MPN: 003201512
# 032
MPN: 008200606
NUT
Supersession 
Supersession 
# 033
MPN: 003101629
# 034
MPN: 003101622
# 035
MPN: 008411005
WASHER D.10.5 UNI 1751/F
from  £0.54 
from  £0.54 
# 036
MPN: 008100909
SCREW 3/8 24 FIL 1 8G
from  £3.75 
from  £3.75 
# 037
MPN: 008400606
WASHER 12.5X6.4X1.6 UNI 6592/5 S/Z
Supersession 
Supersession 
# 038
MPN: 008100617
SCREW M6X18 UNI 57395S
from  £3.71 
from  £3.71 
# 039
MPN: 003201449
BRAKE LIGHT CHECK
from  £86.29 
from  £86.29 
# 040
MPN: 008401008
WASHER.10X15X1 RAME
Supersession 
Supersession 
# 041
MPN: 003201484
BRAKE HOSE BRACKET
from  £7.62 
from  £7.62 
# 042
MPN: 003201483
REAR BRAKE HOSE
from  £51.60 
from  £51.60 
# 043
MPN: 003201436
PIPE TO REAR CALIPERHOSE
from  £50.56 
from  £50.56 
# 044
MPN: 003201432
# 045
MPN: 003201572
# 046
MPN: 003101573
# 047
MPN: 003101437
FRONT CALIPER HOSE
from  £52.18 
from  £52.18 
# 048
MPN: 003101454
BRAKE HOSE BRACKET
from  £7.62 
from  £7.62 
# 049
MPN: 003101453
FRONT BRAKE HOSE (MONTATO FINO AL MOTORE N.30430)
from  £38.80 
from  £38.80 
# 050
MPN: 008200501
M5X0.8X4 'UNI 5588/6S/Z' NUT (MONTATO DAL MOTORE N.30431)
Supersession 
Supersession 
# 051
MPN: 008400606
WASHER 12.5X6.4X1.6 UNI 6592/5 S/Z
Supersession 
Supersession 
# 052
MPN: 003101613
# 053
MPN: 008100617
SCREW M6X18 UNI 57395S
from  £3.71 
from  £3.71 
# 054
MPN: 003101510
BRAKE OIL TANK BRACKET
from  £7.81 
from  £7.81 
# 055
MPN: VN-01519
VN-01519
# 056
MPN: 003101596
# 057
MPN: 003101595
# 058
MPN: 003101597
# 059
MPN: 003101455
# 060
MPN: 003101381
BRACKET
# 061
MPN: 003101450
THREE-WAY UNION
from  £31.70 
from  £31.70 
# 062
MPN: 003201575
# 063
MPN: 003201511
BOLT
from  £29.30 
from  £29.30 
# 064
MPN: 003101513
COPPER WASHER 16.2X24X1 (MONTATO DAL TELAIO N.4155)
from  £0.97 
from  £0.97 
# 065
MPN: 003213716
HYDROVAC BRAKE BOOSTER
from  £323.20 
from  £323.20 
 Eurospares
 Eurospares 
  
  
  
  
  
  
  
  
  
  
  
  
  
  
  
  
  
  
  
  
  
  
  
 