lamborghini miura p400 heat shield parts diagram

033 - HEAT SHIELD

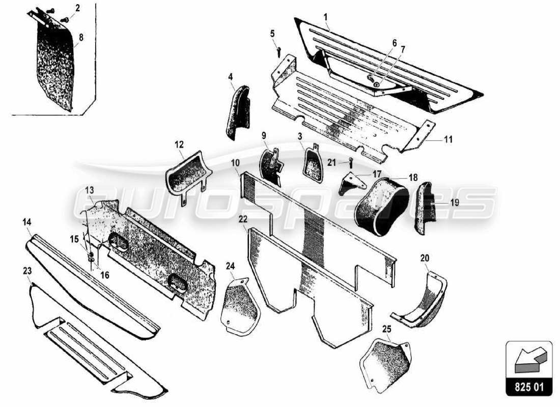
Lamborghini Miura P400 Heat Shield Parts Diagram

View the exploded parts diagram to find the part you are looking for
  • You can reposition the diagram by dragging it
  • You can zoom in and out of the diagram by scrolling, pinching, or using theandbuttons
  • You can reset the diagram using thebutton
View all the part pricing and availability information on the parts table to the rightbelow
  • You can click on a hotspot in the parts diagram to locate the part in the table
  • You can use the options filter, in the filter tab, to hide parts not relevant to your search
Switch between other part diagrams using theandbuttons, or use the diagram images below
We recommend viewing this page in landscape orientation for the best experience
Part Key
ST
Part in stock
PS
Available in a part set
SS
Part supersession in stock
PS
Available in a part set to order (subject to availability)
SO
Part available to order (subject to availability)
PK
Available in a part kit
                                    #
                                    Part number
                                    Description
                                    Price
                                    # 001
                                    MPN: 006164344
                                    PARATIA POST. TRASVERS
                                    # 004
                                    MPN: 006104340

                                    # 009
                                    MPN: 001604346
                                    ALTERNATOR BULKHEAD
                                    # 010
                                    MPN: 006104363

                                    # 011
                                    MPN: 006104159

                                    # 012
                                    MPN: 001604345
                                    PARATIA MOT.AVVIAMENTO
                                    # 013
                                    MPN: 001704258
                                    COOLANT RADIATOR BULKHEAD
                                    from £589.26
                                    from £589.26
                                    # 014
                                    MPN: 001704267
                                    COOLANT RADIATOR BULKHEAD
                                    from £99.97
                                    from £99.97
                                    # 017
                                    MPN: 001604382
                                    DISTRIBUTOR BULKHEAD MOUNT
                                    # 018
                                    MPN: 001604347
                                    DISTRIBUTOR BULKHEAD
                                    from £396.50
                                    from £396.50
                                    # 019
                                    MPN: 006104341

                                    # 020
                                    MPN: 002104260
                                    CLUTCH DUST BOOT
                                    from £426.09
                                    from £426.09
                                    # 022
                                    MPN: 006104364

                                    # 023
                                    MPN: 001704338
                                    COOLANT RADIATOR LOWER BULKHEAD
                                    from £395.00
                                    from £395.00