lamborghini urraco p250 / p250s front suspension parts diagram

022 - Front Suspension

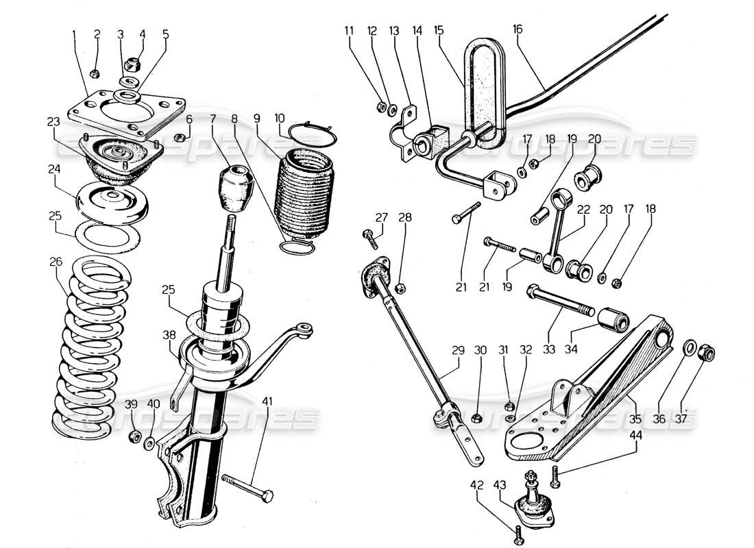
Lamborghini Urraco P250 / P250S Front suspension Parts Diagram

View the exploded parts diagram to find the part you are looking for
  • You can reposition the diagram by dragging it
  • You can zoom in and out of the diagram by scrolling, pinching, or using theandbuttons
  • You can reset the diagram using thebutton
View all the part pricing and availability information on the parts table to the rightbelow
  • You can click on a hotspot in the parts diagram to locate the part in the table
  • You can use the options filter, in the filter tab, to hide parts not relevant to your search
Switch between other part diagrams using theandbuttons, or use the diagram images below
We recommend viewing this page in landscape orientation for the best experience
Part Key
ST
Part in stock
PS
Available in a part set
SS
Part supersession in stock
PS
Available in a part set to order (subject to availability)
SO
Part available to order (subject to availability)
PK
Available in a part kit
                                                                                            #
                                                                                            Part number
                                                                                            Description
                                                                                            Price
                                                                                            # 001
                                                                                            MPN: 005107466
                                                                                            SPACER BETWEEN SHOCK ABSORBER AND FRAME
                                                                                            from £35.09
                                                                                            from £35.09
                                                                                            # 002
                                                                                            MPN: 008200804
                                                                                            NUT
                                                                                            from £0.78
                                                                                            from £0.78
                                                                                            # 003
                                                                                            MPN: 005207465
                                                                                            LOCKING FOR NUT
                                                                                            from £7.38
                                                                                            from £7.38
                                                                                            # 004
                                                                                            MPN: 008201405
                                                                                            NUT
                                                                                            from £4.06
                                                                                            from £4.06
                                                                                            # 005
                                                                                            MPN: 005207464
                                                                                            PROTECTION FOR GREASE
                                                                                            from £5.72
                                                                                            from £5.72
                                                                                            # 006
                                                                                            MPN: 008200804
                                                                                            NUT
                                                                                            from £0.76
                                                                                            from £0.76
                                                                                            # 007
                                                                                            MPN: 005108658
                                                                                            SHOCK ABSORBER LIMIT SWITCH
                                                                                            from £133.52
                                                                                            from £133.52
                                                                                            # 008
                                                                                            MPN: 008830119
                                                                                            JUBILEE CLIP
                                                                                            from £19.20
                                                                                            from £19.20
                                                                                            # 009
                                                                                            MPN: 005108120
                                                                                            SHOCK ROD PROTECTION BELLOWS
                                                                                            from £81.90
                                                                                            from £81.90
                                                                                            # 010
                                                                                            MPN: 008830107
                                                                                            JUBILEE CLIP
                                                                                            from £14.02
                                                                                            from £14.02
                                                                                            # 011
                                                                                            MPN: 008200806
                                                                                            NUT
                                                                                            Supersession
                                                                                            Supersession
                                                                                            # 012
                                                                                            MPN: 008410806
                                                                                            WASHER
                                                                                            Supersession
                                                                                            Supersession
                                                                                            # 013
                                                                                            MPN: 005107110
                                                                                            TORSION BAR CLAMP
                                                                                            from £33.94
                                                                                            from £33.94
                                                                                            # 014
                                                                                            MPN: 008921501
                                                                                            SUPPORT
                                                                                            from £13.32
                                                                                            from £13.32
                                                                                            # 015
                                                                                            MPN: 005108224
                                                                                            TORSION BAR PROTECTION
                                                                                            from £70.10
                                                                                            from £70.10
                                                                                            # 016
                                                                                            MPN: 005107450
                                                                                            BARRA DI TORSIONE ANTERIORE
                                                                                            from £160.74
                                                                                            from £160.74
                                                                                            # 017
                                                                                            MPN: 008400801
                                                                                            WASHER
                                                                                            Supersession
                                                                                            Supersession
                                                                                            # 018
                                                                                            MPN: 008200804
                                                                                            NUT
                                                                                            from £0.81
                                                                                            from £0.81
                                                                                            # 019
                                                                                            MPN: 008800801
                                                                                            SPACER
                                                                                            from £28.45
                                                                                            from £28.45
                                                                                            # 021
                                                                                            MPN: 008100842
                                                                                            BOLT
                                                                                            from £1.10
                                                                                            from £1.10
                                                                                            # 022
                                                                                            MPN: 005106980
                                                                                            JOINT FOR RIGHT TORSION BAR.
                                                                                            from £23.73
                                                                                            from £23.73
                                                                                            # 022
                                                                                            MPN: 005110342
                                                                                            JOINT FOR TORQUE BAR SN.
                                                                                            from £23.73
                                                                                            from £23.73
                                                                                            # 023
                                                                                            MPN: 005108659
                                                                                            SUPPORT
                                                                                            from £345.85
                                                                                            from £345.85
                                                                                            # 024
                                                                                            MPN: 005206915
                                                                                            SUPPORT
                                                                                            from £16.92
                                                                                            from £16.92
                                                                                            # 025
                                                                                            MPN: 005207451
                                                                                            RING
                                                                                            from £38.66
                                                                                            from £38.66
                                                                                            # 026
                                                                                            MPN: 005108657
                                                                                            SPRING
                                                                                            from £207.79
                                                                                            from £207.79
                                                                                            # 027
                                                                                            MPN: 008100821
                                                                                            BOLT
                                                                                            Supersession
                                                                                            Supersession
                                                                                            # 028
                                                                                            MPN: 008200804
                                                                                            NUT
                                                                                            from £0.81
                                                                                            from £0.81
                                                                                            # 029
                                                                                            MPN: 005207821
                                                                                            TIE ROD
                                                                                            from £834.41
                                                                                            from £834.41
                                                                                            # 030
                                                                                            MPN: 008201008
                                                                                            NUT
                                                                                            from £0.97
                                                                                            from £0.97
                                                                                            # 031
                                                                                            MPN: 008200804
                                                                                            NUT
                                                                                            from £0.78
                                                                                            from £0.78
                                                                                            # 032
                                                                                            MPN: 008400801
                                                                                            WASHER
                                                                                            Supersession
                                                                                            Supersession
                                                                                            # 033
                                                                                            MPN: 008101618
                                                                                            BOLT
                                                                                            from £15.59
                                                                                            from £15.59
                                                                                            # 034
                                                                                            MPN: 008921602
                                                                                            ESTENDBLOC
                                                                                            from £125.60
                                                                                            from £125.60
                                                                                            # 035
                                                                                            MPN: 005106982
                                                                                            FRONT SUSPENSION ARM
                                                                                            from £231.00
                                                                                            from £231.00
                                                                                            # 036
                                                                                            MPN: 008401611
                                                                                            WASHER
                                                                                            from £9.63
                                                                                            from £9.63
                                                                                            # 037
                                                                                            MPN: 008201603
                                                                                            NUT
                                                                                            from £2.60
                                                                                            from £2.60
                                                                                            # 038
                                                                                            MPN: 005106966
                                                                                            AMMORTIZZATORE ANTERIORE (SINISTRO)
                                                                                            # 039
                                                                                            MPN: 008201008
                                                                                            NUT
                                                                                            from £0.97
                                                                                            from £0.97
                                                                                            # 040
                                                                                            MPN: 008401006
                                                                                            WASHER
                                                                                            from £0.53
                                                                                            from £0.53
                                                                                            # 041
                                                                                            MPN: 008101032
                                                                                            BOLT
                                                                                            from £5.15
                                                                                            from £5.15
                                                                                            # 042
                                                                                            MPN: 008100809
                                                                                            BOLT
                                                                                            from £1.84
                                                                                            from £1.84
                                                                                            # 043
                                                                                            MPN: 005106906
                                                                                            SNODO SFERICO
                                                                                            from £218.51
                                                                                            from £218.51
                                                                                            # 044
                                                                                            MPN: 008101031
                                                                                            BOLT
                                                                                            Supersession
                                                                                            Supersession
                                                                                            # 051
                                                                                            MPN: 005106965
                                                                                            AMMORTIZZATORE ANTERIORE (DESTRO)