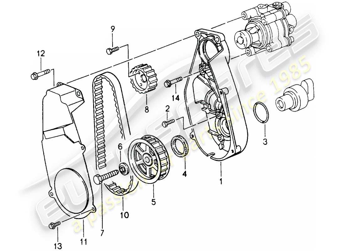
porsche 1998 (993) driving mechanism - power-steering pump parts diagram

108-000 - DRIVING MECHANISM - POWER-STEERING PUMP

Porsche 1998 (993) DRIVING MECHANISM - POWER-STEERING PUMP Parts Diagram

View the exploded parts diagram to find the part you are looking for
  • You can reposition the diagram by dragging it
  • You can zoom in and out of the diagram by scrolling, pinching, or using theandbuttons
  • You can reset the diagram using thebutton
View all the part pricing and availability information on the parts table to the rightbelow
  • You can click on a hotspot in the parts diagram to locate the part in the table
  • You can use the options filter, in the filter tab, to hide parts not relevant to your search
Switch between other part diagrams using theandbuttons, or use the diagram images below
We recommend viewing this page in landscape orientation for the best experience
Part Key
ST
Part in stock
PS
Available in a part set
SS
Part supersession in stock
PS
Available in a part set to order (subject to availability)
SO
Part available to order (subject to availability)
PK
Available in a part kit
                            #
                            Part number
                            Description
                            Price
                            # 1
                            MPN: 99314718502
                            bracket - Discontinued part
                            # 1
                            MPN: 99314718503
                            BRACKET
                            from £329.16
                            from £329.16
                            # 1
                            MPN: 99314718504
                            BRACKET
                            (TURBO)
                            from £352.26
                            from £352.26
                            # 2
                            MPN: 99921711302
                            SCREW, HEX. HD. - M 6 X 28
                            from £3.24
                            from £3.24
                            # 3
                            MPN: 99970729340
                            O-RING - 40 X 4
                            from £5.90
                            from £5.90
                            # 4
                            MPN: 99911346340
                            SEAL - A 30 X 42 X 7
                            Supersession
                            Supersession
                            # 5
                            MPN: 99314708100
                            GEAR
                            from £54.42
                            from £54.42
                            # 6
                            MPN: 90002500902
                            WASHER - A 13
                            Supersession
                            Supersession
                            # 7
                            MPN: 90008207201
                            SCREW, HEX. HD. - M 12 X 1,5 X 50
                            from £4.02
                            from £4.02
                            This part replaces part number N 0101422
                            # 8
                            MPN: 99314718302
                            GEAR
                            from £20.53
                            from £20.53
                            # 9
                            MPN: 99921800502
                            SCREW, CHEESE HD. - M 6 X 16 - DISCONTINUED PART
                            # 9
                            MPN: 99921800501
                            SCREW, CHEESE HD. - M 6 X 16
                            from £1.58
                            from £1.58
                            # 10
                            MPN: 99314718701
                            toothed belt
                            from £74.35
                            from £74.35
                            # 11
                            MPN: 99314719203
                            COVER
                            from £77.74
                            from £77.74
                            # 12
                            MPN: 90006724702
                            BOLT WITH WASHER - M 8 X 30 - DISCONTINUED PART
                            # 12
                            MPN: 90006724701
                            BOLT WITH WASHER - M 8 X 30
                            from £15.19
                            from £15.19
                            # 13
                            MPN: 90007535502
                            BOLT WITH WASHER - M 6 X 16 - DISCONTINUED PART
                            # 13
                            MPN: 90007535501
                            SCREW, HEX. HD. - M 6 X 16
                            from £1.84
                            from £1.84
                            # 14
                            MPN: 90006727602
                            SCREW, CHEESE HD. - M 8 X 35 - DISCONTINUED PART
                            # 14
                            MPN: 90006727601
                            BOLT WITH WASHER - M 8 X 35
                            from £2.77
                            from £2.77