Porsche Parts

Since 1931, Porsche has been at the forefront of high-performance luxury sports cars, turning dreams into reality with every roaring engine and exhilarating drive. As Porsche owners and enthusiasts ourselves, we are committed to offering you low prices and fast delivery on genuine original parts, Tequipment accessories, and performance tuning upgrades. Starting with the classic 356 and original 911, through to the latest Boxster, Macan, Panamera, and 992, we supply every part for every model.

Read More >>

From the smallest hex screw and clamp, to body panels, transmissions, alloy wheel sets, exhaust systems, PCCM radio upgrades, and steering wheels, we can deliver any part your Porsche needs. We have a reputation for competitive prices and fast, secure delivery. We supply spare parts and accessories to car owners, body shops, garages and workshops across the USA and beyond.

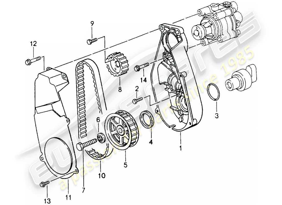
Find the exact Porsche parts and accessories you're looking for by viewing our online Porsche part catalogs. Simply select your Porsche model below and browse detailed part diagrams complete with the original Manufacturer Part Number (MPN) listings to identify the precise part you require. Alternately you can enter the part number into our search box at the top of any page or contact us for personal assistance.

Find your Porsche

Genuine Porsche Parts for Every Model

As a Porsche owner, you know that Porsche cars are designed to deliver the best possible driving experience. That's why it's important to install only genuine Porsche parts which are engineered to work perfectly with your Porsche, ensuring optimal performance, fuel consumption, and reliability.

Read More >>

Our extensive online catalog is organized by model and model year, making it easy to find the specific parts you need. Plus, all parts are listed with the original Manufacturer Part Number (MPN), so you can be confident you're getting the right fit. Our user-friendly website allows you to quickly locate the exact parts you require, whether for routine maintenance or performance upgrades. Simply select your model to view the spare part catalogs and parts diagrams.

We have a huge range of original parts available for all models. If you need new Porsche headlamps, interior parts, air suspension parts, exhaust tips, or wheels, we have you covered. In addition, we supply a wide range of unique and hard-to-find parts, including spares for vintage and classic vehicles. We are here to help and support your part buying journey, be it for an old Porsche restoration, or sourcing the latest parts for a newer model.

Fast Worldwide Delivery On All Porsche Parts

Our team can get parts delivered to most countries worldwide in as little as 24 hours. We can provide next-day delivery to the USA, UK, France, Germany, and Italy. We can also deliver to Australia, Dubai, Japan, and all other countries worldwide in as little as two days.

We offer one of the biggest selections of genuine Porsche parts online, ensuring you can access the information you need 24/7. Just like with the ETKA Porsche parts catalog, each model is listed with detailed illustrations for easy reference. This makes our website a valuable tool for garages, repair shops, and individual car owners who are searching for specific parts for vehicle repairs or maintenance.

Read More >>

Everything Porsche

Replacing air filters, fuel injectors, spark plugs, and timing belts with genuine parts will help your Porsche perform at its best. For those looking to elevate their Porsche’s sound and performance, we also offer sport exhaust upgrades, including Akrapovic and QuickSilver exhaust systems, designed to bring out the unmistakable Porsche sound and enhance driving pleasure.

Our commitment to providing every part for every model - ranging from brakes and exhausts to tires, wheels, and interior accessories - ensures your Porsche maintains its sporty performance and sleek good looks. With thousands of parts available, we are able to supply anything from minor components like clips, dust caps, and wheel badges to major parts, including complete transmissions, body panels, and windshields.

Eurospares: A Trusted Source for Porsche Parts and Expertise

Since 1985, Eurospares has been a leader in the supercar parts community, and our passion for Porsches runs deep. We’re not just a parts provider - several members of our team are Porsche owners themselves, and we understand the thrill of every twist of the wheel and the unmistakable roar of a flat-six engine.

Read More >>

We know how important it is to have access to genuine Porsche parts at a great value, and we have an in-depth knowledge of Porsche vehicles. Contact us for help with part availability or handling. What sets us apart from the competition is our vast collection of Porsche parts, along with other legendary brands like Aston Martin, Ferrari, Lamborghini, Maserati, McLaren, and Tubi Style Exhausts.

Close-up of an immaculate Porsche engine bay with visible engine internals.

All Porsche engine parts can be supplied at low prices.

High performance Porsche 911 GT3 drifting through a puddle.

We share your passion, many of our team are Porsche owners.

Porsche Tequipment wheel badges in branded box on Eurospares warehouse shelf.

Get the best deals on all Tequipment accessories and personalize your Porsche!

Porsche Parts FAQs

Yes it is easy to get all the Porsche parts you need at Eurospares. Any part, from the smallest gasket to the largest glass panel can be supplied and delivered direct to your door.

We list all Porsche parts for sale against every part catalog for the majority of Porsche models, including vintage and classics such as the 356, 914, and the original 911. Plus we can supply spares for the latest models and any accessory from the Porsche Tequipment range.

Old Porsche parts are still available thanks to parts being reissued via the Porsche Classic programme and third party manufacturers. We work closely with the Porsche network and can provide parts for any older model.

If you are looking for an old part in particular, please select your model and browse the part diagrams or contact our team of Porsche part experts.

Porsche Tequipment is a range of aftermarket parts and accessories designed specifically for Porsche vehicles. From head-turning exterior upgrades to clever storage solutions, Tequipment is all about making your Porsche truly yours, all while maintaining the legendary quality and performance Porsche is known for.

We can supply any Tequipment part or accessory you need at highly competitive prices. Visit the Porsche Tequipment category to browse a wide selection. Alternately, if you have the part number please search for it on our website or contact our team for assistance.

In comparison to some of the other brands we work with, the price of Porsche parts are very reasonable. In general, the price of your Porsche parts depends on the specific part you need and your Porsche's model.

Here at Eurospares we have a price match policy and constantly monitor the market to ensure that our prices are very competitive. This means you can buy the Porsche parts you need with confidence knowing that you are getting a great deal on the spares and accessories you need.

Yes, every Porsche part we supply includes a warranty and expert support from our team at no additional charge. Genuine Porsche parts are also covered by the Porsche warranty.

The warranty period can be extended during the checkout period or by contacting our offices prior to parts being shipped. If you have any questions please contact our sales team or read our full warranty terms and conditions.

Porsche sources its parts from a combination of in-house production at their factories in Germany and collaborations with specialized suppliers and partners.

All the parts are meticulously designed and manufactured to meet Porsche's high standards for quality, performance, and fit, ensuring the integrity and performance of their legendary vehicles are maintained.

Yes when you buy a genuine Porsche part from us, you will be supplied with a genuine Porsche part. A genuine Porsche part means that it will be covered with the official Porsche warranty and where appropriate it will come in Porsche branded packaging with the Porsche logo.

Aftermarket and performance parts are typically made by third parties, for example Rennline and Tubi Style exhausts. Tequipment parts are genuine Porsche accessories, designed for customization and enhancement. If you have any specific questions regarding part types or you are searching for a particular part and need assistance please contact our team of Porsche part experts.

While many Porsche parts are manufactured in Germany, reflecting the brand's heritage and commitment to quality, Porsche also collaborates with specialized suppliers worldwide.

This is common within the automotive industry as a global network ensures the availability of high-quality parts and materials.

There are several ways to find the Porsche part you need on our website;

  1. You can search by part name or number from the top of any page.
  2. Select your Porsche model and view the online part diagrams containing every part listed with the MPN (Manufacturer Part Number).
  3. Go to our contact us page and speak to one of our Porsche part experts.

If you need assistance locating the part or have any questions regarding fitment and handling get in touch with our team, many of whom are Porsche owners and enthusiasts themselves!